Автозапчасти
Как правильно подключить ксенон в авто своими руками
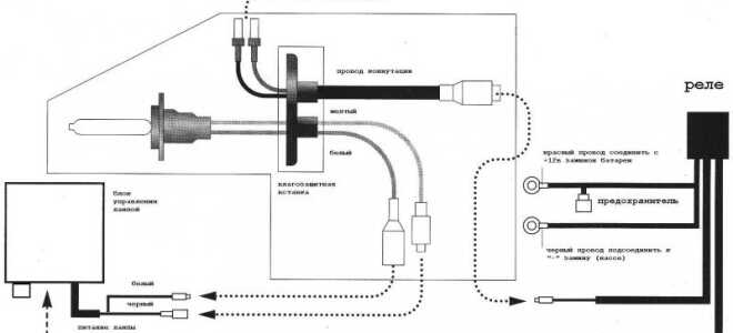
Популярность ксеноновых газоразрядных лампочек для автомобилей обусловлена их лучшей эффективностью по сравнению с другими источниками освещения. Подключить ксенон возможно как...
Все карты монтажа сигнализаций Старлайн и пошаговая инструкция по подключению
Чтобы противоугонная система Starline на машине работала корректно, автовладельцу необходимо правильно ее установить и подключить. К сигнализациям Старлайн карты монтажа...
Как выбрать и установить дневные ходовые огни на автомобиль?
В соответствии с действующим законодательством РФ каждый автомобиль должен быть оборудован таким типом оптики, как ДХО. Чтобы выбрать ходовые огни...
Как работает спидометр автомобиля и для чего он нужен?
Показатели спидометра автомобиля необходимы, чтоб определять и контролировать скорость транспортного средства соответственно ограничениям, действующим на территории той или иной страны....
Инструкция по замене и ремонту ГУРа своими руками
Система гидравлического усиления предназначается для обеспечения более комфортного управления автомобилем за счет упрощения процедуры проворачивания рулевого колеса. Ремонт гидроусилителя руля...