Дневными ходовыми огнями сегодня оснащаются все новые автомобили, однако этот тип оптики есть далеко не на всех авто, в частности, речь идет о машинах более раннего производства. Использование ДХО сегодня является обязательным, а если авто не оборудовано этой оптикой, это может стать причиной серьезного разговора с инспектором. Подробнее о том, как своими руками соорудить блок управления ДХО, читайте ниже.
Характеристика блока управления ДХО
Блок управления дневными ходовыми огнями представляет собой устройство, являющееся частью электрической цепи данного типа оптики. Этот узел предназначен для активации ДХО при определенных обстоятельствах, в зависимости от схемы подключения оптики. Без работы данного девайса невозможно функционирование ходовых огней, поэтому этот узел всегда должен быть в рабочем состоянии.


После активации зажигания производится подача напряжения на сам модуль управления ходовыми огнями. Этот модуль, в соответствии с наличием сигнала на катушке зажигания, запускает процедуру распознавания — заведен ли силовой агрегат или нет. В том случае, если от катушки начинает поступать беспрерывный сигнал, оптика автоматически включается. Если же катушка не передает импульс на плату, то модуль распознает это, как то, что двигатель не работает, к примеру, он мог заглохнуть, но зажигание при этом включено. Разумеется, в данном случае дневные ходовые огни работать не будут.
В том случае, если водитель в принудительном режиме запустит габаритное освещение, блок управления ДХО автоматически их выключит, при этом невзирая на другие условия. Когда габариты отключаются, а катушка все равно передает сигнал на модуль, ходовые огни активируются и продолжат работать (автор видео — канал GignViper).
Руководство по сборке реле своими руками
Если вы решили соорудить модуль управления дневными ходовыми огнями для своего авто, то должны понимать, что процедура изготовления его своими руками непростая. Этот вариант наиболее оптимальный для тех автолюбителей, которые имеют опыт в электротехнике и умеют паять, а также собирать электросхемы. Естественно, процедура сборки девайса своими руками будет стоить значительно дешевле в финансовом плане, чем приобретение готового устройства. Преимущество приведенной ниже схемы сборки заключается в том, что даже если в вашем авто отдельно установлены ходовые огни, вы сможете подключить устройство к модулю управления ближним освещением.
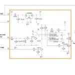
Фотогалерея «Схемы и программатор для изготовления самодельного блока»






Наиболее оптимальным вариантом в качестве основы будет использование процессора PIC12F629 — его цена наиболее доступна. Чтобы запрограммировать модуль, необходимо использовать программатор, к примеру, подойдет PICkit-2. Сама схема достаточно простая — в ней применяется линейное стабилизирующее устройства, к контактам которого подключаются делители по входящему импульсу. Для обеспечения более стабильной работы в схему добавлены транзисторные ключи. На выходе устройства ставится транзистор (полевой), который необходимо соединить с простым автомобильным транзисторным устройством, при этом ток должен быть не больше 200 мА.
Процедура сборки осуществляется таким образом:
- Сначала плату необходимо смоделировать, для этого используется любое программное обеспечение для проектировки схем. После этого необходимо разработать схему разводки, если нужно, то также производится проектировка 3D-модели.
- Затем подбирается корпус, в который будет установлена конструкция. В этом случае можно использовать корпус от обычного машинного реле. При этом нужно, чтобы это реле было шестиконтактное.
- Чтобы обезопасить модуль, саму схему нужно будет залакировать. Для этой цели существует множество различных средств, как вариант, можно использовать Cramolin Isotemp. Это силиконовое средство применяется для изоляции разных схем. Если вы хотите обеспечить более надежную работу платы, то ее также можно установить в термоусадочную трубку.
- После того, как процедура подготовки будет завершена, имеющееся реле необходимо будет установить в подготовленный корпус. Как правило, реле оснащаются корпусами с фиксаторами, поэтому проблем с надежным креплением у вас возникнуть не должно.
- Что касается непосредственно подключения готового устройства, то питание для него можно взять с любой точки бортовой сети, главное, чтобы эта точка была недалеко от ключа зажигания.
- Сигналы, в соответствии с которыми модуль сможет определить работу силового агрегата, можно взять с самой катушки — этот вариант наиболее оптимальный.
- На следующем этапе импульс активации головного света можно также взять с любой точки, только нужно, чтобы на этом участке было 12-вольтное напряжение от включения оптики.
- После выполнения этих действия, на выходе модуля следует подключить любое реле, это позволит защитить электроцепь. И хотя реле можно взять любое, важно, чтобы потребляющий ток был не больше 200 мА при двенадцативольтном напряжении, а ток на выходе должен составлять около 30-40 ампер.
- Завершающим этапом будет подключение массы — как и в других случаях, минус можно подключить к кузову машины.
Видео «Работа блока ДХО под управлением пульта ДУ»
Как работают дневные ходовые огни под управлением пульта дистанционного управления — смотрите на видео ниже (автор ролика — Mary Babenkova).